您好,欢迎访问
蒙城自来水厂
电话
微信
小程序
切换导航
首页
公司概况
企业新闻
公司新闻
普法宣传
服务指南
用水指南
用水常识
业务办理指南
水价信息
企业文化
企业党建
企业精神
员工守则
员工教育
网上营业厅
公示公告
停水公告
信息公开目录
抄表计划
招标公告
政策法规
国家级法规
省级法规
市级法规
水质公布
出厂水日检9项信息
出厂水月常规检测信息
出厂水半/年全指标信息
管网水7项检测信息
管网水月常规检测信息
信息公开
TOP
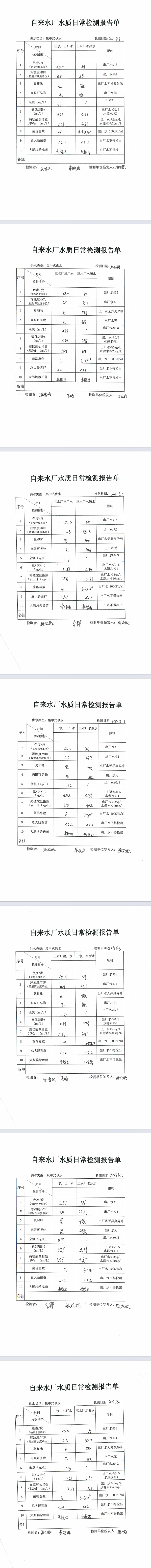
2025年县城地表水厂出厂水、水源水水质日检报表20250801-20250807
来源:蒙城县自来水厂
发布时间 :   2025.09.12